The sliding door locks come in two size categories: as yacht sliding door locks and as ship sliding door locks. All items within each size category can be combined with each other – considering the type of lock (with bit key lock or profile cylinder). Please refer to our PDF under "Downloads and Information" for selecting the correct lock type according to DIN standards.
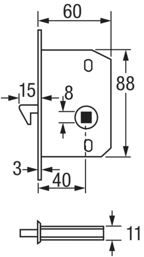
Important measurements that must match:
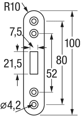
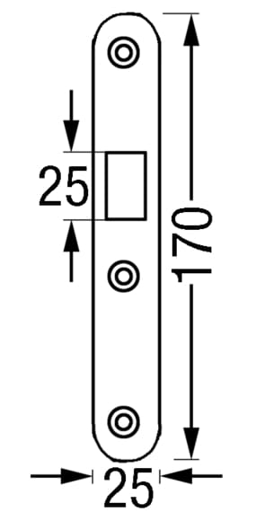
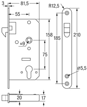
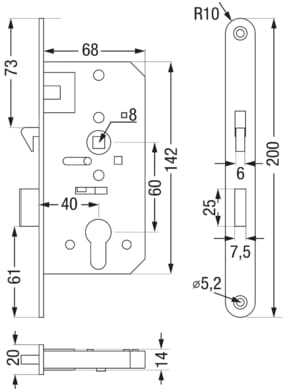
- The backset of the lock describes the distance between the outer edge of the faceplate (outer edge of the lock) and the center of the keyhole.
- The handles have a square spindle that must match the square spindle of the lock.
- The escutcheons and locks have a distance from the center of the handle hole to the center of the keyhole, which must be identical for both the lock and the escutcheon.
